Produzione di valvole oleodinamiche e blocchi integrati
Prodotti
PARTS IN BODY
VALVOLE DI MASSIMA
VALVOLE DI SEQUENZA
VALVOLE DI RIDUZIONE DI PRESSIONE
VALVOLE DI RITEGNO
VALVOLE DI BLOCCO PILOTATE
VALVOLE SELETTRICI
VALVOLE DI BLOCCO TUBAZIONI
VALVOLE REGOLATRICI DI FLUSSO
OVERCENTER
VALVOLE PER ESCAVATORI
VALVOLE ELETTRICHE
VALVOLE VARIE
CARTUCCE
VALVOLE DI MASSIMA
VALVOLE DI SEQUENZA
VALVOLE DI RIDUZIONE DI PRESSIONE
VALVOLE DI RITEGNO
VALVOLE DI BLOCCO PILOTATE
VALVOLE SELETTRICI
VALVOLE REGOLATRICI DI FLUSSO
OVERCENTER
VALVOLE ELETTRICHE
VALVOLE VARIE
BLOCCHI SPECIALI
BLOCCHI PERSONALIZZATI REALIZZATI SU RICHIESTE SPECIFICHE DEL CLIENTE
Azienda
News & Eventi
CERTIFICATI
Contatti
HOME
Prodotti
PARTS IN BODY
VALVOLE DI BLOCCO PILOTATE
DOPPIE
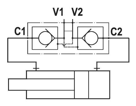
Valvola di blocco pilotata doppia, predisposta per 1 raccordo
VALVOLE DI BLOCCO PILOTATE
SINGOLE
DOPPIE
DOPPIE
Tipo
FPD-*-1RO-SR-*-*-*
Descrizione
Valvola di blocco pilotata doppia, predisposta per 1 raccordo
Specifiche tecniche
SPECIFICHE TECNICHE
Materiali: corpo in acciaio zincato. I componenti interni sono in acciaio trattato termicamente e rettificati.
Portata max.: fino a 20 l/min
Pressione max.: vedere tabella pag. 02
Pressione di apertura: standard 2 bar, a richiesta 5-10 bar
Connessione C1 predisposta per raccordo ad occhio con tubo diam.12 mm
Download
SCHEDA TECNICA
RACCORDI AD OCCHIO E KIT DI FISSAGGIO UTILIZZABILI
Richiedi maggiori informazioni
Lasciare questo campo vuoto
Nome
Cognome
Email
Contatto telefonico
Messaggio
Richiedo informazioni per il prodotto Valvola di blocco pilotata doppia, predisposta per 1 raccordo
Autorizzo il trattamento dei miei dati al fine di dare seguito alla mia richiesta.
Informativa privacy.
Invia richiesta
Altri prodotti che potrebbero interessarti
ATTACCHI
G 1/4"
G 3/8"
G 1/2"
G 3/4"
PORTATA (l/min)
85
FPD-*-*-*-*/FPD-*-*-1R-*-*
Valvola di blocco pilotata doppia, montaggio in linea
ATTACCHI
G 1/4"
PORTATA (l/min)
20
FPD-LE-1/4-*-*-S-*
Valvola di blocco pilotata doppia, montaggio in linea
ATTACCHI
G 1/4"
G 3/8"
G 1/2"
G 3/4"
PORTATA (l/min)
85
FPD-L-*-*-*-*-*-*
Valvola di blocco pilotata doppia, montaggio in linea
ATTACCHI
G 3/8"
G 1/2"
G3/4"
PORTATA (l/min)
85
FPD-F-*-*-*-*-*-*
Valvola di blocco pilotata doppia, montaggio a flangia
ATTACCHI
G 1/4"
PORTATA (l/min)
20
FPD-BE-1/4-*-*-S-*
Valvola di blocco pilotata doppia, montaggio a bullone
ATTACCHI
G 1/4"
G 3/8"
PORTATA (l/min)
20
FPD-*-2RO-SR-*-*-*
Valvola di blocco pilotata doppia, predisposta per 2 raccordi
Ricerca altri prodotti
Cerca
Iscriviti alla Newsletter
Rimani aggiornato su EVENTI e pubblicazioni di NUOVI PRODOTTI
Iscriviti
Iscrizione alla newsletter avvenuta correttamente
Indirizzo email già iscritto alla newsletter
×
Clicca per accettare i cookie di targeting e pubblicità e abilita questo contenuto