
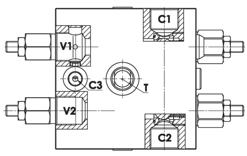
V015
- ATTACCHI
- G 1/4"
- PORTATA (l/min)
FPEP-1/4
Shut off pressure gauge valve, panel mounting
Keep updated about new event and new product introduction