VARIOUS VALVES

VARIOUS VALVES

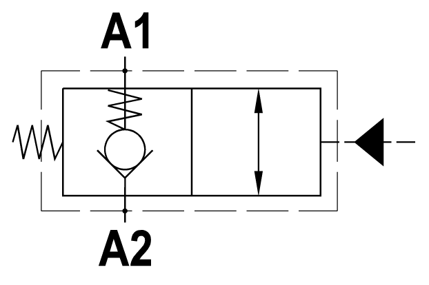
Type

FPFC-*

Description

End run valves

Technical Specifications
  • TECHNICAL SPECIFICATIONS
  • Materials: body is steel made. Ball is in hardened steel. External surface is zinc plated.
  • Rated flow: 45 l/min
  • Max. pressure: 250 bar, see data sheet
  • Ports: 1/4” - 3/8” BSP
  • Cracking pressure: 2.5 bar standard
Download

Ask for further information

I hereby authorize the recipient of this email to use and process my personal details only for the request purposes. . Privacy information.
Search other products

Subscribe to newsletter

Keep updated about new event and new product introduction