Product range
PARTS IN BODY
PRESSURE RELIEF
SEQUENCE VALVES
PRESSURE REDUCING VALVE
CHECK VALVE
PILOT OPERATED VALVE
SHUTTLE VALVE
HOSE BURST VALVE
FLOW CONTROL VALVE
OVERCENTER
HYDRAULICS EXCAVATOR VALVES
ELECTRIC VALVES
VARIOUS VALVES
CARTRIDGES
PRESSURE RELIEF
SEQUENCE VALVES
PRESSURE REDUCING VALVE
CHECK VALVE
PILOT OPERATED VALVE
SHUTTLE VALVE
FLOW RESTRICTOR VALVES
OVERCENTER
ELECTRIC VALVES
VARIOUS VALVES
SPECIAL MANIFOLDS
CUSTOMED SPECIAL MANIFOLDS, MADE ON SPECIFIC CUSTOMER REQUESTS
Settori
Company
News & Events
CERTIFICATES
Contact us
HOME
Product range
PARTS IN BODY
FLOW CONTROL VALVE
PRESSURE COMPENSATED FLOW RESTRICTOR
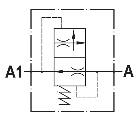
Pressure compensated flow restricting valve
FLOW CONTROL VALVE
UNIDIRECTIONAL / BIDIRECTIONAL
COMPENSATED
PRESSURE COMPENSATED FLOW RESTRICTOR
FLOW DIVIDER / COMBINER
FOR HYDRAULIC MOTORS
PRESSURE COMPENSATED FLOW RESTRICTOR
Type
VSC-G-*-*
Description
Pressure compensated flow restricting valve
Technical Specifications
TECHNICAL SPECIFICATIONS
Materials: all the components are steel made
Rated flow: see controlled flow setting list
Max. pressure: 300 bar
Download
DATA SHEET
Ask for further information
Lasciare questo campo vuoto
Name
Family name
Email
Telephone number
Message
I request information for the product Pressure compensated flow restricting valve
I hereby authorize the recipient of this email to use and process my personal details only for the request purposes. .
Privacy information.
Send request
Other product wich could be interesting
M480
ATTACCHI
G 1/4"
G 3/8"
G 1/2"
PORTATA (l/min)
47
VSC-*-*
Pressure compensated flow restricting valve
M490
ATTACCHI
G 1/4"
G 3/8"
G 1/2"
G 3/4"
PORTATA (l/min)
300
VSCR-*-*
Adjustable pressure compensated flow restricting valve
Search other products
Search
Subscribe to newsletter
Keep updated about new event and new product introduction
Subscribe
Subscription done correctly
E-mail address already subscribed to the newsletter
×
Clicca per accettare i cookie di targeting e pubblicità e abilita questo contenuto