
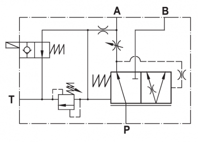
R010
- ATTACCHI
- G 3/8"
- PORTATA (l/min)
- 35
FPEXC-35-S-3/8-L-DX-05-50
Valvola di blocco e controllo portata per bracci, montaggio in linea, versione destra










