Produzione di valvole oleodinamiche e blocchi integrati
Prodotti
PARTS IN BODY
VALVOLE DI MASSIMA
VALVOLE DI SEQUENZA
VALVOLE DI RIDUZIONE DI PRESSIONE
VALVOLE DI RITEGNO
VALVOLE DI BLOCCO PILOTATE
VALVOLE SELETTRICI
VALVOLE DI BLOCCO TUBAZIONI
VALVOLE REGOLATRICI DI FLUSSO
OVERCENTER
VALVOLE PER ESCAVATORI
VALVOLE ELETTRICHE
VALVOLE VARIE
CARTUCCE
VALVOLE DI MASSIMA
VALVOLE DI SEQUENZA
VALVOLE DI RIDUZIONE DI PRESSIONE
VALVOLE DI RITEGNO
VALVOLE DI BLOCCO PILOTATE
VALVOLE SELETTRICI
VALVOLE REGOLATRICI DI FLUSSO
OVERCENTER
VALVOLE ELETTRICHE
VALVOLE VARIE
BLOCCHI SPECIALI
BLOCCHI PERSONALIZZATI REALIZZATI SU RICHIESTE SPECIFICHE DEL CLIENTE
Azienda
News & Eventi
CERTIFICATI
Contatti
HOME
Prodotti
PARTS IN BODY
OVERCENTER
TOTALMENTE BILANCIATE SINGOLE
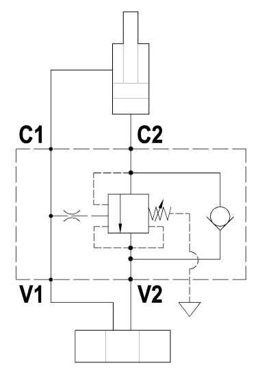
Valvola overcenter singola bilanciata, montaggio in linea
OVERCENTER
NON BILANCIATE SINGOLE
NON BILANCIATE DOPPIE
PARZIALMENTE BILANCIATE SINGOLE
PARZIALMENTE BILANCIATE DOPPIE
TOTALMENTE BILANCIATE SINGOLE
TOTALMENTE BILANCIATE DOPPIE
TOTALMENTE BILANCIATE SINGOLE
Tipo
FPOFB-50-S-*-L-P-*-*-*
Descrizione
Valvola overcenter singola bilanciata, montaggio in linea
Specifiche tecniche
SPECIFICHE TECNICHE
Materiali: corpo in acciaio zincato. I componenti interni sono in acciaio trattato termicamente.
Portata: fino a 50 l/min
Taratura max.: 350 bar
Rapporto di pilotaggio: 4,25 : 1 (a richiesta 8 : 1)
Regolazione pressione: mediante vite
Campo di regolazione pressione: vedere pag. 02
Download
SCHEDA TECNICA
Richiedi maggiori informazioni
Lasciare questo campo vuoto
Nome
Cognome
Email
Contatto telefonico
Messaggio
Richiedo informazioni per il prodotto Valvola overcenter singola bilanciata, montaggio in linea
Autorizzo il trattamento dei miei dati al fine di dare seguito alla mia richiesta.
Informativa privacy.
Invia richiesta
Altri prodotti che potrebbero interessarti
ATTACCHI
G 1/4"
PORTATA (l/min)
35
FPOFB-35-S-1/4-L-*-*
Valvola overcenter singola bilanciata, montaggio in linea
ATTACCHI
G 1/4"
PORTATA (l/min)
35
FPOFB-35-S-1/4-L-P-*-*
Valvola overcenter singola bilanciata, montaggio in linea, pilotaggio interno
ATTACCHI
G 1/2"
G 3/4"
PORTATA (l/min)
150
FPOFB-150-S-*-L-P-M-35-AP-*-*
Valvola overcenter singola bilanciata, montaggio in linea e pilotaggio interno, attacco manometro e pilotaggio regolabile
ATTACCHI
G 1/2"
G 3/4"
PORTATA (l/min)
150
FPOFB-150-S-*-1F-P-M-35-AP-*-*
Valvola overcenter singola bilanciata, montaggio a flangia e pilotaggio interno, attacco manometro e pilotaggio regolabile
ATTACCHI
G 1/2"
PORTATA (l/min)
150
FPOFB-150-S-1/2-2F-P-35-AP-*-*
Valvola overcenter singola bilanciata, montaggio con C1, C2 flangiate e pilotaggio interno e regolabile
Ricerca altri prodotti
Cerca
Iscriviti alla Newsletter
Rimani aggiornato su EVENTI e pubblicazioni di NUOVI PRODOTTI
Iscriviti
Iscrizione alla newsletter avvenuta correttamente
Indirizzo email già iscritto alla newsletter
×
Clicca per accettare i cookie di targeting e pubblicità e abilita questo contenuto