Prodotti
PARTS IN BODY
VALVOLE DI MASSIMA
VALVOLE DI SEQUENZA
VALVOLE DI RIDUZIONE DI PRESSIONE
VALVOLE DI RITEGNO
VALVOLE DI BLOCCO PILOTATE
VALVOLE SELETTRICI
VALVOLE DI BLOCCO TUBAZIONI
VALVOLE REGOLATRICI DI FLUSSO
OVERCENTER
VALVOLE PER ESCAVATORI
VALVOLE ELETTRICHE
VALVOLE VARIE
CARTUCCE
VALVOLE DI MASSIMA
VALVOLE DI SEQUENZA
VALVOLE DI RIDUZIONE DI PRESSIONE
VALVOLE DI RITEGNO
VALVOLE DI BLOCCO PILOTATE
VALVOLE SELETTRICI
VALVOLE REGOLATRICI DI FLUSSO
OVERCENTER
VALVOLE ELETTRICHE
VALVOLE VARIE
BLOCCHI SPECIALI
BLOCCHI PERSONALIZZATI REALIZZATI SU RICHIESTE SPECIFICHE DEL CLIENTE
Settori
Azienda
News & Eventi
CERTIFICATI
Contatti
HOME
Prodotti
CARTUCCE
VALVOLE DI SEQUENZA
BILANCIATE
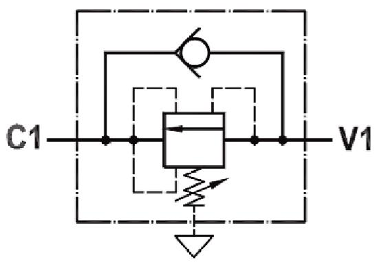
Valvola di sequenza ad azione diretta, versione a cartuccia, cavità SAE 10
VALVOLE DI SEQUENZA
AZIONE DIRETTA
PILOTATE
BILANCIATE
BILANCIATE
Tipo
FPSQB-D-60-C-*-*
Descrizione
Valvola di sequenza ad azione diretta, versione a cartuccia, cavità SAE 10
Specifiche tecniche
SPECIFICHE TECNICHE
Materiali: corpo in acciaio protetto da zincatura. Componenti interni in acciaio trattato termicamente.
Portata max.: fino a 60 l/min
Taratura max.: 350 bar
Regolazione pressione: mediante vite
Campo di regolazione pressione: vedere pag.02
Download
SCHEDA TECNICA
DIMENSIONI CAVITA'
Richiedi maggiori informazioni
Lasciare questo campo vuoto
Nome
Cognome
Email
Contatto telefonico
Messaggio
Richiedo informazioni per il prodotto Valvola di sequenza ad azione diretta, versione a cartuccia, cavità SAE 10
Autorizzo il trattamento dei miei dati al fine di dare seguito alla mia richiesta.
Informativa privacy.
Invia richiesta
Altri prodotti che potrebbero interessarti
B320
CAVITA'
SAE 08
PORTATA (l/min)
25
FPSQB-D-25-C-*-*
Valvola di sequenza ad azione diretta, versione a cartuccia, cavità SAE 08
B349
CAVITA'
UNS
PORTATA (l/min)
150
FPSQUP-P-150-C-*-*
Valvola di sequenza pilotata, taratura regolabile, a cursore
B350
CAVITA'
UNS
PORTATA (l/min)
150
FPSQU-P-150-C-*-*
Valvola di sequenza pilotata, taratura regolabile, a cursore con kick down
Ricerca altri prodotti
Cerca
Iscriviti alla Newsletter
Rimani aggiornato su EVENTI e pubblicazioni di NUOVI PRODOTTI
Iscriviti
Iscrizione alla newsletter avvenuta correttamente
Indirizzo email già iscritto alla newsletter
×
Clicca per accettare i cookie di targeting e pubblicità e abilita questo contenuto